Call Us Today : Hotline : 086-986-1552, or 02-929-5703 Email : snd.thailand@gmail.com Line ID : nartthawat Skype : nartthawat

บริษัทได้ผลิตและออกแบบถังกรองแรงดัน (Filter Housing ) ทั้งแบบ Foodgrade CIP ได้ และ Chemical ซึ่ง Dimension ขนาดท่อ หรือ ทิศทางท่อ (Orientation), ชนิดข้อต่อเช่น Flange,

Union, Thread ตามมาตรฐานต่างๆ สามารถทำตามต้องการได้ ซึ่งออกแบบให้สอดคล้อง ASME Regulation Pressure Vessel design, U-Stamp Certification.

- แรงดันสามารถออกแบบได้ตามที่ต้องการเช่นกัน ตัวอย่างเช่น 10 BarG-300 BarG หรือมากกว่า เป็นต้น

- วัสดุสามารถเลือกได้เช่น SUS304, SUS316, SUS316L, Carbon Steel, Liner surface เป็นต้น สำหรับ Polishing สามารถเลื่อกได้เช่น Electro-Polishing, Sand blast เป็นต้น

- วัสดุ Oring||Gasket สามารถเลิอกได้ตามความเหมาะสม เช่น EPDM, TEFLON, Nylon, Silicone, Viton เป็นต้น

- ความละเอียดการกรองขึ้นอยู่กับความละเอียดของ Filter Bag ที่เลือก หรือ จะใช้ Wiremesh Filter Bagket หรือ จะใช้ Sintered Mesh Basket ก็ได้เช่นกัน ได้ตั้งแต่ 0.5um - 5000um ตามความเหมาะสม
รับความต้องการลูกค้า - ชนิดของเหลว - Flow rate - Particle retention - Temperature - Inlet/outlet size - Connector type - Operating Pressure - Pressure Drop - pH Liquid - Chemical Concentration
Create Drawing Agreement
Customer Approve
Fabrication
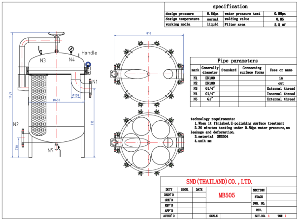
ตัวอย่าง Drawing เท่านั้น
Filter Housing, Pressure Filter Vessel Filter Housing, Pressure Filter Vessel Filter Housing, Pressure Filter Vessel Filter Housing, Pressure Filter Vessel Simulation to Design Simulation to Design
Hydro-Pressure Test QA Approve
Delivery

เอสเอ็นดี (ประเทศไทย)

เอสเอ็นดี (ประเทศไทย)

เอสเอ็นดี (ประเทศไทย)

เอสเอ็นดี (ประเทศไทย)

เอสเอ็นดี (ประเทศไทย)

เอสเอ็นดี (ประเทศไทย) เอสเอ็นดี (ประเทศไทย)

เอสเอ็นดี (ประเทศไทย)

เอสเอ็นดี (ประเทศไทย)

เอสเอ็นดี (ประเทศไทย)

เอสเอ็นดี (ประเทศไทย)

เอสเอ็นดี (ประเทศไทย)

เอสเอ็นดี (ประเทศไทย)

Footer text